keyDEPO.【キーデポ】サイト内の全商品から検索が出来ます。
MIWA FH-A1(2枚吊用)・FH-A2(3枚吊用)【美和ロック/耐震丁番/左右勝手あり/ビス付】
¥ 2,145 税込
商品コード: 3699
メーカー: MIWA 美和ロック
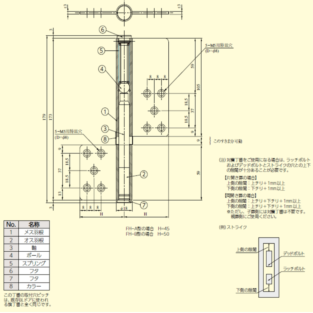
■美和ロックの耐震丁番です。
■美和ロックの耐震丁番は地震による建物の変形に対してもドアが開くよう設計された丁番で、低コストで地震対策が可能です。
■FH-A型:外形図H寸法が45mmの商品です
□FH-A1/2枚吊用
□FH-A2/3枚吊用
※色合いは現品と若干の差がある可能性がございます。
※ご希望の仕様をオプションよりお選びください。
※オプションにより金額が変更になる場合がございます。
商品概要
| 発送目安 | 実働3~4週間(メーカー手配品) |
|---|---|
| 備考 | 丁番取付ビス:10個 |
×
【発送目安のご了承】
仕様や数量によっては手配に3~4週間かかります⇒OK
商品の仕様により手配が必要な場合は3~4週間のお時間を頂戴しております。問題なければこちらを選択してください。納期のご確認は、下記「納期・商品についてのお問い合わせ」フォームより行ってください。
カテゴリー

カゴの中身を見る









